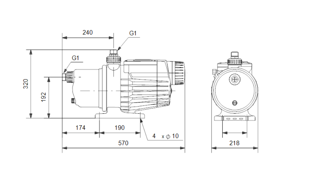
MQ - малогабаритная насосная станция водоснабжения, представляющая собой единый узел состоящий из насоса, двигателя, напорного мембранного бака, датчиков давления и протока, блока управления и обратного клапана. Блок управления служит для автоматического запуска при возникновении водопотребления, и выключения насоса при его прекращении.
Монтаж Благодаря малым габаритам станция не занимает много места и легко монтируется на месте эксплуатации. Вокруг насоса не требуется оставлять свободное пространство для монтажа.
Легкость в эксплуатации Насос имеет блок управления с удобным для пользователя кнопкой ON/OFF и световой индикацией режимов эксплуатации.
Самовсасывающий насос Насос является самовсасывающим, поэтому он способен нагнетать воду, находящуюся ниже его уровня. Максимальная высота всасывания - не более 8 м.
Встроенная защита В случае работы всухую или перегрева, например в результате заклинивания узлов или перегрузки, насос будет автоматически останавливаться, что позволит устранить опасность перегорание обмоток.
Автоматическое квиттирование Имеется функция автоматического квиттирования. В случае работы всухую или подачи другого аварийного сигнала насос выключится. Далее насос будет пытаться включаться каждые 30 минут в течение 24 часов. Функция автоматич. квиттиров. может быть отключена.
Низкий уровень шума Насос имеет низкий уровень шума благодаря своей гидравлике и собственному охлаждению двигателя перекачиваемой водой, что позволяет эксплуатировать его как внутри, так и вне помещения.
Напорный гидробак Встроенный напорный гидробак сокращает количество кратковременных включений-выключений, снижая тем самым степень износа деталей.
Техническое обслуживание Не требуется техническое обслуживание.
Данная модель снята производство:
Обновлённая версия этой модели: Grundfos SCALA1 3-45
