Описание
Характеристики
Отзывы
Описание
Область применения
Циркуляционный насос «ЦИРКУЛЬ» 32/60 используются для:
- Обеспечения циркуляции теплоносителя в системах отопления частных домов, квартир и коттеджей.
- Оптимизации работы систем теплоснабжения.
- Применения в системах «теплый пол».
- Использования в небольших промышленных системах отопления.
- Увеличения эффективности работы котлов и радиаторов.
- Сокращения времени прогрева помещений.
Характеристики циркуляционного насоса «ЦИРКУЛЬ» 32/80
- «ЦИРКУЛЬ» — название серии.
- 32 — условное проходное сечение насоса, мм.
- 80 — максимальный напор (с учетом округления) водяного столба, дм.
Преимущества циркуляционного насоса «ЦИРКУЛЬ» 32/80
- Обеспечивает бесшумную работу.
- Повышает скорость нагрева помещения.
- Увеличивает КПД теплооборудования.
- Способствует экономичному потреблению электроэнергии.
- Предотвращает завоздушивание в трубах отопления.
- Имеет длительный период эксплуатации (минимум 5 лет).
- Обладает компактными габаритными размерами.
- Отличается простотой настройки и установки.
- Гарантирует надежность и безопасность работы.
Эксплуатационные ограничения для циркуляционного насоса «ЦИРКУЛЬ»
Запрещается:
- Использовать насос для подачи питьевой воды или в системах, связанных с пищевыми продуктами.
- Включать насос при отсутствии теплоносителя в системе отопления.
- Перекачивать жидкости, отличные от воды.
- Перекачивать вязкие или агрессивные жидкости — кислоты, щелочи и др.
- Перекачивать воду, содержащую твердые частицы или волокна.
- Эксплуатировать насос в системах с давлением выше 10 бар.
- Перекачивать воду с температурой ниже +2 °С или выше +110 °С.
- Перекачивать специальные низкозамерзающие жидкости с температурой ниже -10 °С или выше +110 °С.
Подбор насосного оборудования
Выбор насоса зависит от нескольких ключевых параметров:
- требуемый напор.
- требуемый расход.
- расстояние между источником воды и конечными потребителями.
Выбор циркуляционного насоса для систем отопления производится специалистом на стадии проектирования системы в зависимости от конкретных требований потребителя. Расчет в большинстве случаев производится индивидуально, исходя из сложности задачи, площади здания и многих других факторов.
Характеристики
Бренд:
Джилекс
Родина бренда:
Россия
Страна производства:
Россия
Тип:
Центробежный
Напряжение сети:
220-240В
Потребление на 1й скорости (Вт):
150
Потребление на 2й скорости (Вт):
230
Потребление на 3й скорости (Вт):
260
Защита по сухому ходу:
Отсутствует
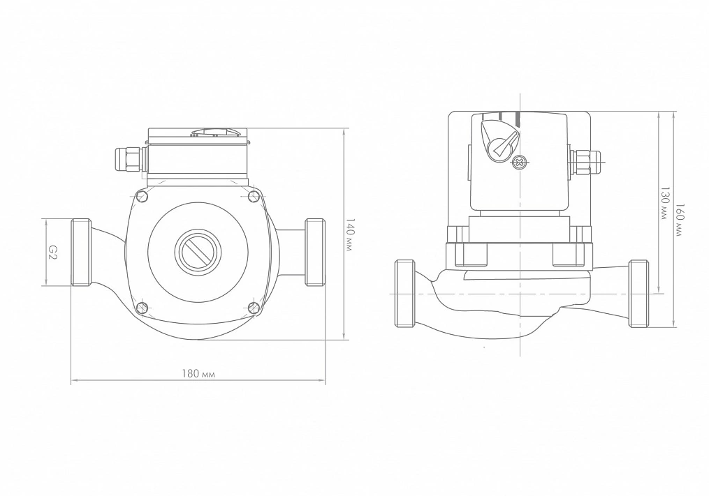
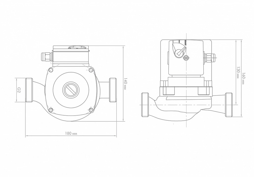
Диаметр подключения:
1.1/4"
Максимальный напор (м):
8
Максимальный расход (м3/ч):
1.98
Максимальное рабочее давление (Бар):
10
Максимальная температура воды (°С):
110
Минимальная температура воды (°С):
-10
Монтажная длина:
180 мм
Степень защиты:
IP44
Материал корпуса:
Чугун
Гарантия:
3 года (36 месяцев)
Отзывы
Отзывов еще никто не оставлял
Инструкция к циркуляционному насосу Джилекс циркуль 32/80